高低区直连供热机组生产厂家
网站首页 润百泰公司简介 高低区直连供暖机组 高低温直联混水机组 智能板式换热机组 高温汽水换热机组 PLC变频控制柜 高层直连供暖设备
最 新 信 息
* 甘肃换热机组-水水板式换热机组安
* 内蒙古热交换板式换热机组找哪个生
* 河北板式换热机组公司-换热器设备
* 山西智能板式换热机组的设计、生产
* 山西超声波热量表,壁挂分体式超声
* 山西超声波流量计型号大全
* 山西手持式超声波流量计厂家供货
* 山西晋中市板式换热机组高效节能成
* 直连加压混水机组又称高直联增压高
* 山西长治板式换热机组生产厂家
* 高低区直连供暖机组安装_高层建筑
* 高层直连供暖机组安装_高低区直联
* 直连混水机组安装公司_地暖直联混
* 高低区并网直连机组生产厂家哪个信
* 山西板式换热机组生产厂家批发供应
* 高层小区供暖什么情况下使用全自动
* 山西集中供热采暖换热机组补水用什
* 山西PLC无人值守换热机组控制柜
* 太原板式换热器有哪些材质?
* 小区换热站设备房建在什么地方合适

管壳式汽水换热机组故障原因及排除附结构图

发布时间:2015-1-24


故障现象
故障原因
排除措施
热工性能下降
结垢
除垢
堵塞
疏通或清洗
热媒流量或温度不足
检查蒸汽或高温水管路
循环泵压力低
电机反转
调整相序
泵泄露
排漏
过滤器堵塞
清洗过滤器
定压不稳
电接点压力表损坏
更换
气压罐问题
充气或换囊
补水泵、循环泵启停失灵
电器元件损坏
维修电路

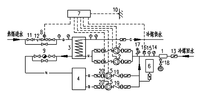
  1、反冲排污过滤器2、循环泵3、换热器4、补水箱5、补水泵6、稳压罐
  7、智能控制柜8、电动调节阀9、疏水阀10、室外温度传感器11、截止阀
  12、Y型过滤器13、蝶阀14、压力表15、温度计16、压力变送器
  17、安全阀18、排污阀19、止回阀20、软接头

相关信息:
卧式波节管换热机组厂家直供质优价廉
山西无负压供水设备
减温器板式混合式汽水换热机组
太原生产的浮动盘管即热式换热器
站内链接:直连机组  |  直连加压机组  |  空调直连机组  |  高层直连机组  |  供暖混水直连机组  |  高低温并网直连机组  |  高低区直连加压机组  |  增压直连机组
高层直连供暖设备公司地址:山西省太原市晋源区旧晋祠路万水物贸成对面   直连供暖机组厂家地址:山西省太原市小店区富士康工业园区南5公里处
版权所有:山西润百泰科技有限公司   电话:0351-6697210  手机:18734861376  微信号:18636614088
网站备案/许可证号:晋ICP备14001996号-5